• +91- 33-35448012/35448013
  • info@nwexports.in
Our Story

About Us

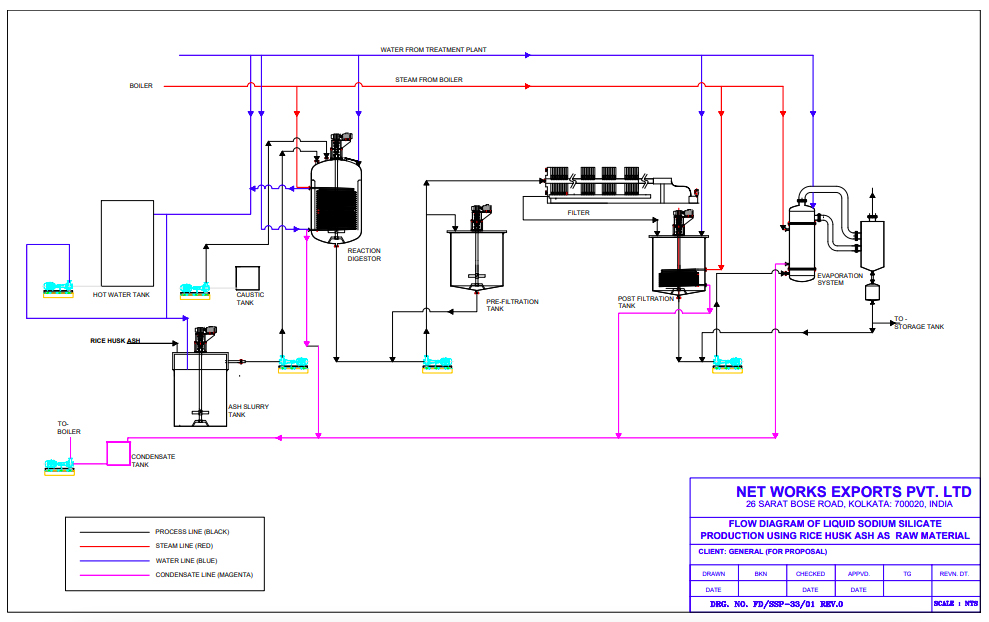
Net Works Exports Private Limited is an end-to-end solution provider for industrial plants and processes which includes design, engineering, supply and supervision for erection and commissioning of the plant/process. We also undertake refurbishment/re-engineering of existing plants & processes to enhance efficiency or improve in quality. In addition, we undertake everything to do with water, right from rigging borewells to treatment of the water, distribution system and also waste water treatment.

Why Choose Us

Reason for people choosing Net Works Exports Pvt. Limited

Clientele

Our Clientele

Western Silica Industries Ltd.

Bangladesh

Charu Ceramic Industries Ltd.

Bangladesh

Rashid Oil Mills Limited

Bangladesh

AM Bran Oil Co. Limited

Bangladesh

Techno Drugs

Bangladesh

Rajshahi Chemicals Ltd.

Bangladesh

Drinking Water & Sanitation Dept., Govt. of Tripura

India

Blue Ocean Biotech Ltd.

India

Myanma Petrochemical Enterprise -Fertilizers & Oil Refineries

Myanmar

We aim higher, so that you can achieve better, each time.